Сайт использует сервис веб-аналитики Яндекс Метрика с помощью технологии «cookie». Пользуясь сайтом, вы даете согласие на использование данной технологии.
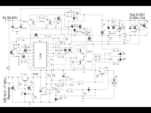
И снова- Лабораторный блок питания YaXun PS 1502DD+, МОДЕРНИЗАЦИЯ.
Фильм почти пошаговка по модернизации блока питания, снят по просьбе подписчиков и многочисленным письмам как и что куда воткнуть, что бы блок питания стал супер. Вышел немного длинным, но что поделаешь, снимал кусками в течении полутора дней. Максимально, что удалось выжать 2,5 Ампера. Ссылка на переделку- ПОЧТА- vsapiga@yandex.ru sapiga.va@ukr.net