Сайт использует сервис веб-аналитики Яндекс Метрика с помощью технологии «cookie». Пользуясь сайтом, вы даете согласие на использование данной технологии.
Политика конфиденциальности | Согласие на обработку персональных данных
Nissan Pathfinder проблема с полным приводом. Ошибка по CAN шине (U1000) 4WD. Перестал заводится.
CAN шина👏 Как это работает
Электросхемы к автомобилю, где искать?
7 новых штрафов для водителей в 2025 году!
ниссан патфайндер 4wd,esp,abs,скользкая дорога
Схема года - 30.000 пострадавших! Это не сказали в новостях!
Подробно про CAN шину
Nissan Pathfinder не переключаются режимы привода 2wd, 4wd, 4wd low, auto. Код ошибки p1827. Часть 1
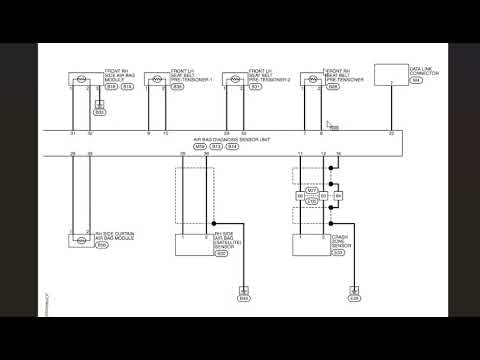
Nissan Qashqai j10 электросхема подушек безопасности srs
#Nissan #Xtrail T32 проблемы с CAN шиной. Почему то не заводится, то не глохнет?