Сайт использует сервис веб-аналитики Яндекс Метрика с помощью технологии «cookie». Пользуясь сайтом, вы даете согласие на использование данной технологии.
Политика конфиденциальности | Согласие на обработку персональных данных
О балласте люминесцентных ламп.
Ремонт электронного балласта
ГЕНИАЛЬНАЯ ИДЕЯ из трансформатора от микроволновки!
Ремонт электронного балласта лампы дневного света.
Транзисторы ( 13007, 13009) с AliExpress. Стоит ли покупать дешевые???
4 схемы из деталей от балласта лампы дневного света (можно и больше).
SMD Светодиод. Как паять правильно?
Ремонт и диагностика электронных балластов
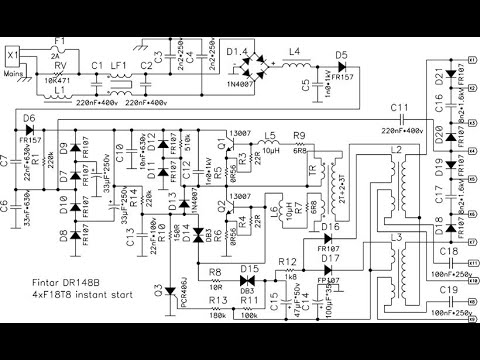
Ремонт электронного балласта (ЭПРА) FINTAR DR184B.
Ремонт энергосберегающих компактных люминесцентных ламп